Mareste imaginea
Freza cilindro-frontala - finisare - 4 dinti unghi 45° acoperire G200
Freza cilindro-frontala din carbura - finisare - 4 dinti unghi 45° acoperire G200
Mareste imaginea
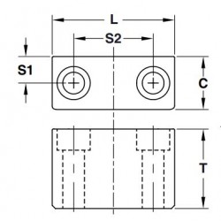
Kit-ul contine 2 placi si cele 4 suruburi de fixare.
| Cod produs | C (mm) | L (mm) | T (mm) | S1 (mm) | S2 (mm) | PW (mm) | Stoc | Mod ambalare | Cantitate | |
|---|---|---|---|---|---|---|---|---|---|---|
| BLGM25L27 | 12 | 27 | 25 | 6 | 14 | 49 | La comanda | 1 | ||
| BLGM25L36 | 12 | 36 | 25 | 6 | 20 | 49 | La comanda | 1 | ||
| BLGM32L36 | 16 | 36 | 32 | 8 | 20 | 70 | La comanda | 1 | ||
| BLGM32L46 | 16 | 46 | 32 | 8 | 30 | 70 | La comanda | 1 | ||
| BLGM38L46 | 22 | 46 | 38 | 11 | 24 | 94 | La comanda | 1 | ||
| BLGM38L76 | 22 | 76 | 38 | 11 | 54 | 94 | La comanda | 1 |
Freza cilindro-frontala din carbura - finisare - 4 dinti unghi 45° acoperire G200
Furtun – Cauciuc EPDM – Temperaturi ridicate
Spray protectie albastru NSF - Food Grade
Carcasa priza cu intrare laterala
Placa de alunecare pentru bara de centrare