Mareste imaginea
-
Produse
-
Componente pentru matrite
- Componente pentru stante
-
Componente brate de robot
-
Conectica apa/ulei
- Consumabile eroziune
-
Accesorii masini injectie
- Elemente si siteme de montaj
-
Scule aschietoare
- Aparate de sudura pentru reparatii
- Periferice masini injectie
- Pneumatica
- Consumabile
- Componente electrice
- Unelte de mana
- Oferte speciale
-
Prelucarea suprafetelor
-
Zero-Point Clamping System
- Echipamente de protectie
- KIPP
-
Componente pentru matrite
- Oferte speciale
- Noutati
- Despre noi
- Livrare
- Download
- Contact
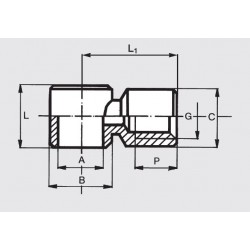
Racord Banjo
Produse similare
| Cod produs | A | B | C | P | L | L1 | G | Ref. | Stoc | Mod ambalare | Cantitate | |
|---|---|---|---|---|---|---|---|---|---|---|---|---|
| 2412001 | 1/8 | 14 | 13.5 | 7 | 15 | 21.5 | 1/8 | D12 | La comanda | 10 | ||
| 2412002 | 1/4 | 18 | 17.0 | 8 | 17 | 25.5 | 1/4 | D12 | La comanda | 10 | ||
| 2412003 | 3/8 | 21 | 20.5 | 10 | 20 | 31.0 | 3/8 | D12 | La comanda | 10 | ||
| 2412002X | 1/4 | 17 | 17 | 10 | 17 | 24 | 1/4 | XD12 inox | La comanda | 10 |



